- 集團網站
- 選擇區域/語言
登錄
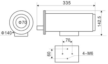
型號 |
IPC-FB8510-F |
內腔尺寸 |
228(L)*70(W)*70(H)mm |
外形尺寸 |
335(L)*?140(W)*142.5(H)mm |
材料 |
外殼304+防腐塑或者316L |
防護等級 |
IP66 |
安裝方式 |
壁裝或吊裝 |
供電方式 |
DC12V |
重量 |
4.2Kg |
